jueves, 12 de noviembre de 2020

 Durante la sesión en línea el profesor nos explicó y nos dio ideas de como realizar el siguiente ejercicio:


Además nos compartio el enlace de un vídeo de como realizan dicho ejercicio los desarrolladores de Intesc. Dicho código es el siguiente:




No hay comentarios:

Publicar un comentario

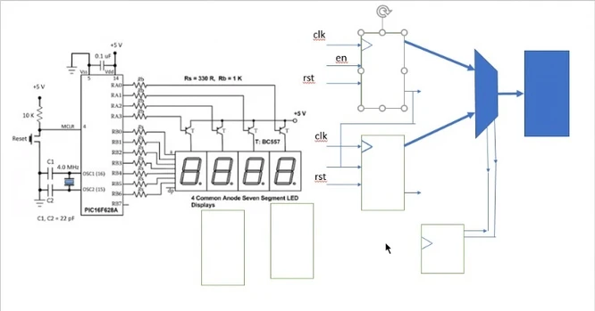
Contador de décadas:

Se comenzó este diseño mediante instanciacion de componentes para ello se crearon diversos elementos individuales los cuales fueron integrad...